PTT-Tastung
für Soundkartenmodem - Echolink - Amvones etc.
Parallelport-Lösung

Seriellport-Lösung

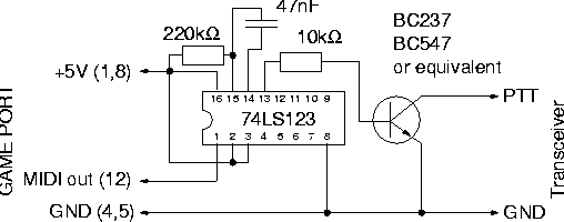
Gameport-Lösung

Vox-Schaltung

Da die VOX-Schaltung nicht sehr schnell schaltet, sollte sie nicht für mehr als 1200Baud benutzt werden.
Um den MOSFET-Transistor sicher durchzusteuern, muss der rechte Soundkanal ggf. auf maximalen Pegel ausgesteuert werden.
Anstelle eines BC237 kann auch ein anderer NPN-Transistor eingesetzt werden (z.B. BC547, oder 2N2222)